
KEM HM 005 R Turbine Flow Meters with BSPP Threads (0.8 - 6 L/min)
Manufacturer: KEM Model: HM 005 R - Contact
Technical Data – Sizes
HM types: HM 004 R
Measuring Range (l/min): 0.8 - 6 L/min
K-Factor (pulses/l)
With > 1cst: 17,800 pulses/l
With > 8cst: 17,800 pulses/l
Max. Pressure: 630 [9,140] (bar/psi)
Max. Frequency (Hz)
With > 1cst: 1,740 Hz
With > 8cst: -
Weight: 0.4 kg
Technical Data – General
Measuring Accuracy: ±1%
Repeatability: ±0.05 % (under the same condition)
Linearity: ±1 % of actual flow
Measuring Span: Standard: 1:10. Extended: on request
Viscosity Range: 0.8 up to 30 mm2/s
Materials
Housing: as per DIN 1.4404 [AISI 316L], others on request
Wheels: as per DIN 1.4460 [AISI 329], others on request
Bearing: Tungsten carbide sleeve bearing
Medium Temperature: -60 °C up to +350 °C [-76 °F up to +662 °F]
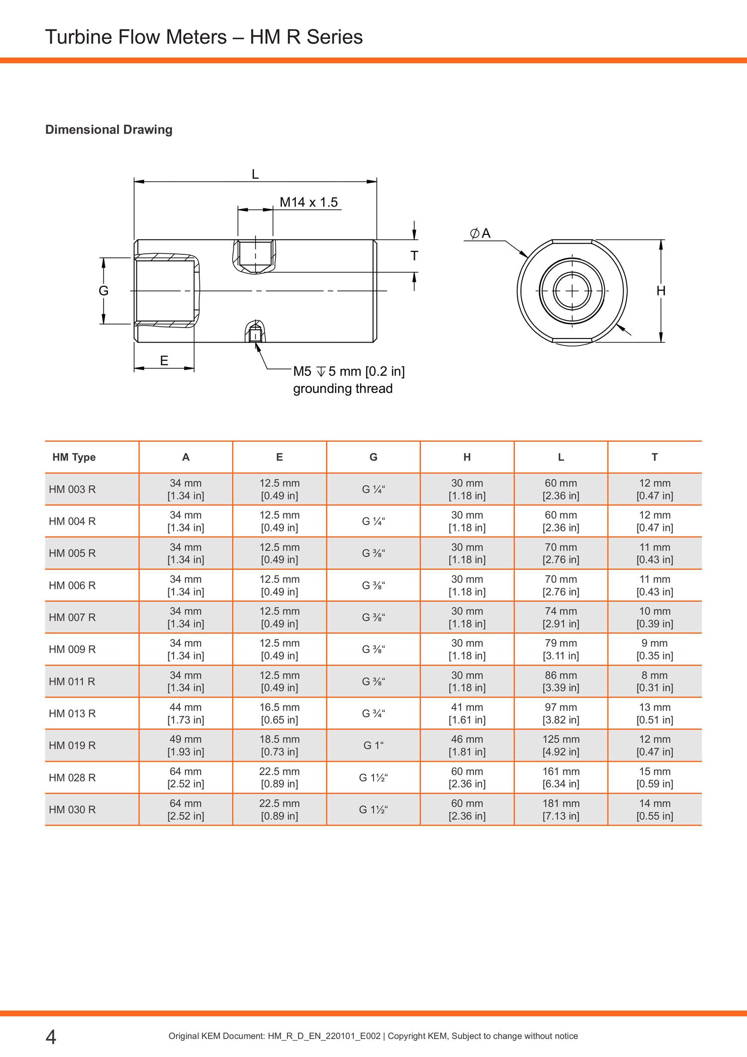
Dimensions: See dimensional drawing
See datasheet for choosing suitable configurations!
- Quality Engagement
- Easy change and return
- Delivery Avaliable
- Favorable payment
