Get exclusive volume discounts, bulk pricing updates, and new product alerts delivered directly to your inbox.
By subscribing, you agree to our Terms of Service and Privacy Policy.
Direct access to our certified experts
Get exclusive volume discounts, bulk pricing updates, and new product alerts delivered directly to your inbox.
By subscribing, you agree to our Terms of Service and Privacy Policy.
Direct access to our certified experts
Technical Data – Sizes
HM types: HM 007 TC-R
Measuring Range (l/min): 2.0 - 20 L/min
K-Factor (pulses/l): 5,200 (pulses/l)
Max. Pressure: 630 [9,317] (bar/psi)
Max. Frequency (Hz): 1,800 Hz
Weight: 0.9 kg
Technical Data – General
Measuring Accuracy: ±1%
Repeatability: ±0.05 % (under the same condition)
Linearity: ±1 % of actual flow
Measuring Span: Standard: 1:10. Extended: on request
Viscosity Range: 1 mm2/s
Materials
Housing: as per DIN 1.4305 [AISI 303]
Wheels: as per DIN 1.4460 [AISI 329]
Bearing: Tungsten carbide sleeve bearing
Medium Temperature: -60 °C up to +350 °C [-76 °F up to +662 °F]
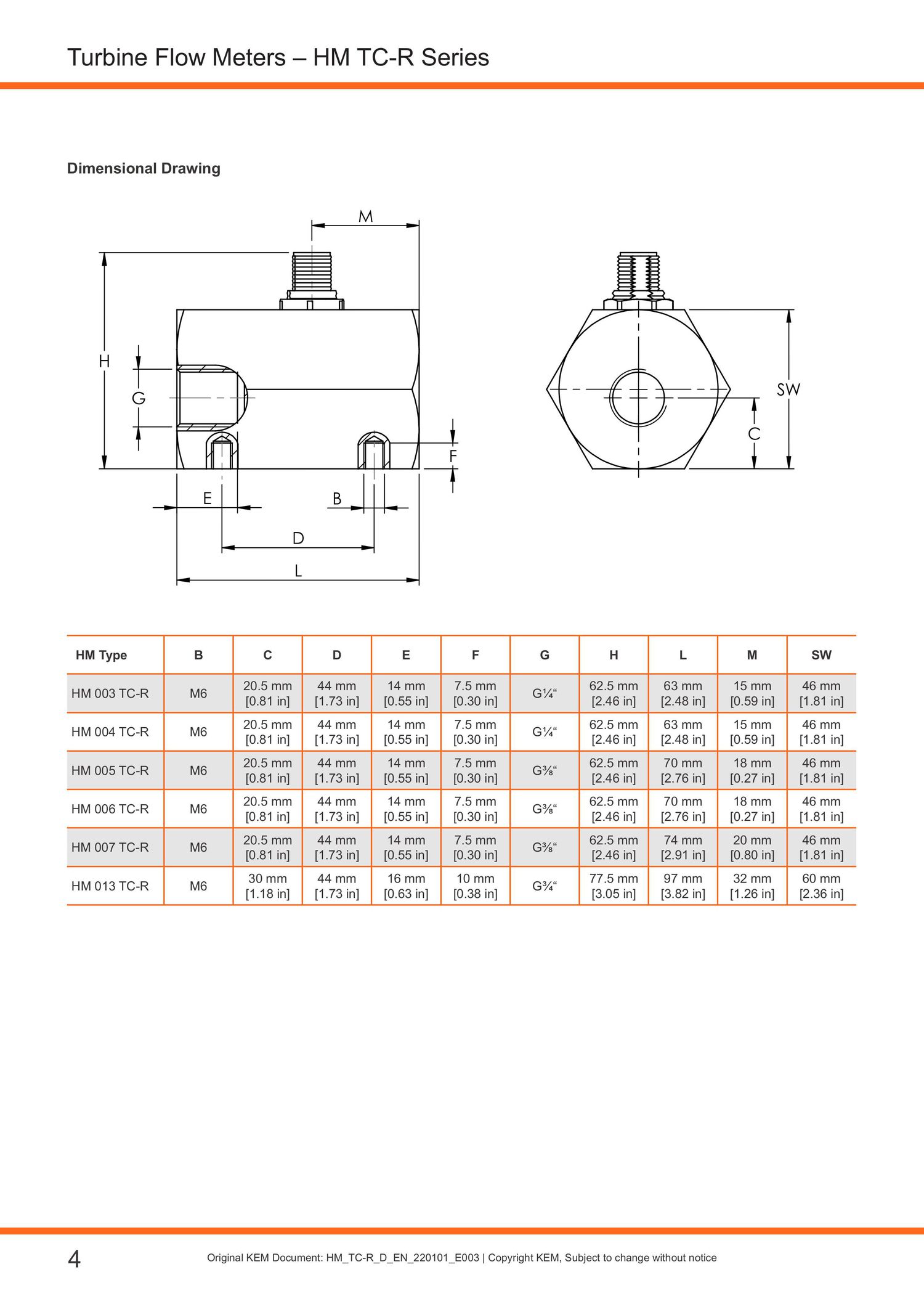
Dimensions: See dimensional drawing
Ex Protection
ATEX: II 2G Ex ia IIC T4 Gb
IECEx: Ex ia IIC T4 Gb
See datasheet for choosing suitable configurations!