Get exclusive volume discounts, bulk pricing updates, and new product alerts delivered directly to your inbox.
By subscribing, you agree to our Terms of Service and Privacy Policy.
Direct access to our certified experts
Get exclusive volume discounts, bulk pricing updates, and new product alerts delivered directly to your inbox.
By subscribing, you agree to our Terms of Service and Privacy Policy.
Direct access to our certified experts
Application: Filling processes
Process Medium:
Lubricants, oils, grease
Lubricating
Medium/high viscosity
Attributes:
Stainless steel body
Stainless steel ball bearing
Bigger tolerances
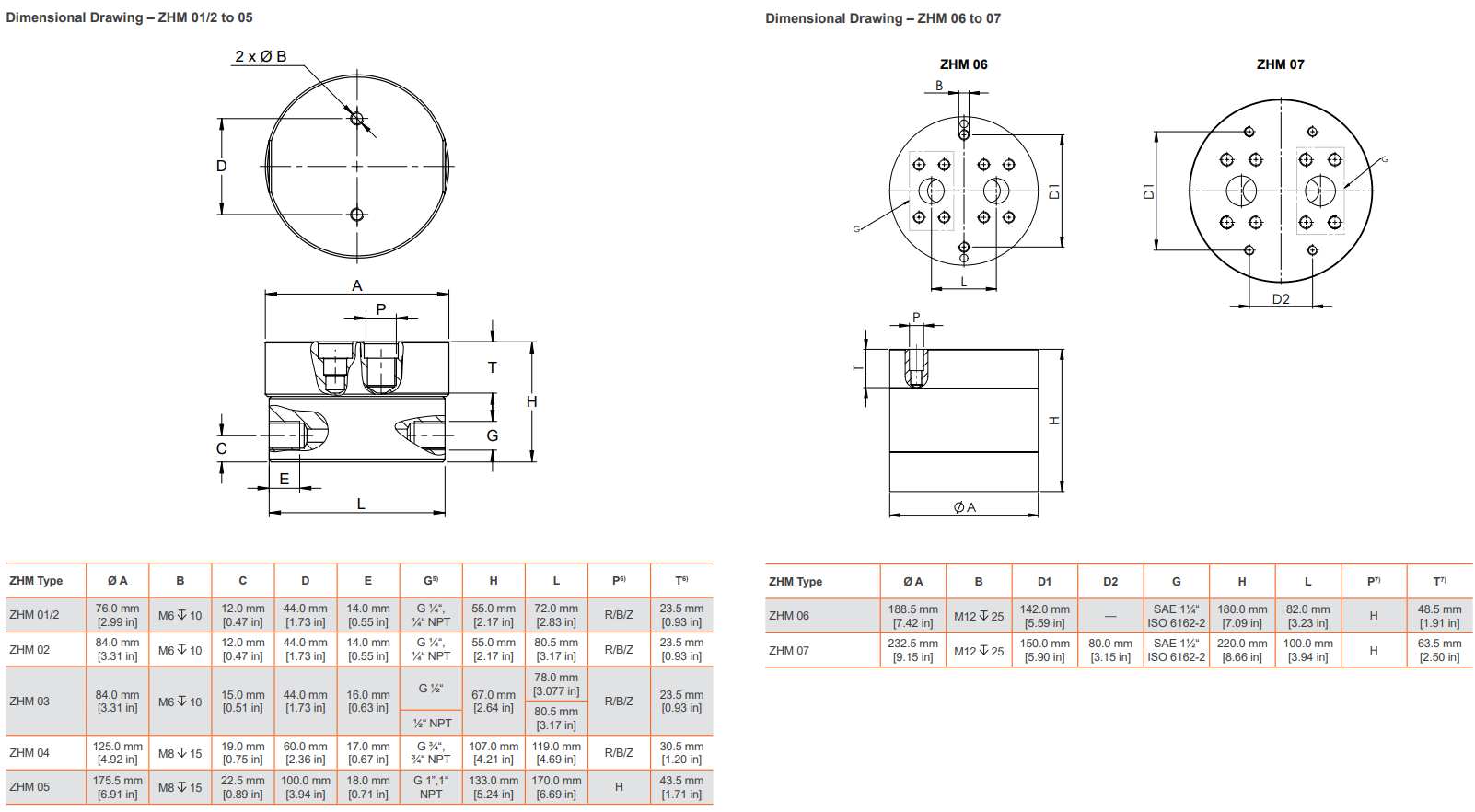
Technical Data – Sizes
Measuring Range (l/min): 5.0 up to 150
K-Factor (pulses/l): 134
max. Pressure (bar/psi): 250 [3,600]
Frequency (Hz): 11 up to 340
Weight (kg): 23
Technical Data – General
Measuring Accuracy: Default: ±0.5 %; Premium: ±0.25 %
Repeatability: ±0.05 % (under the same conditions)
Materials
Housing: as per DIN 1.4305 [AISI 303]
Gears: as per DIN 1.4122
Bearing: Stainless Steel Ball bearing
Thread: Metric
Sensor Ports: M14x1.5 & Plug-in (frequency doubling, direction detection)
Seals: FKM
Medium Temperature: -40 °C up to +180 °C [-40 °F up to +356 °F] (others on request)
Dimensions: See dimensional drawing (In details)
See datasheet for choosing suitable configurations!